2.jpg (go back »)

August 16 2013, 3:25 AM

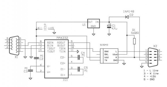
this is the pic for my car repair for vw ECU

Comments

Displaying 0 - 0 of 0 comments

No comments yet. Be the first one to comment!

Add Comment

You must be logged in to comment

Profile

mike88992
  • Male
  • 26 years old

Statistics

Comments 0
Page views 122